Skip to content
View in the app

A better way to browse. Learn more.

The Patriot Woodworker

A full-screen app on your home screen with push notifications, badges and more.

To install this app on iOS and iPadOS
  1. Tap the Share icon in Safari
  2. Scroll the menu and tap Add to Home Screen.
  3. Tap Add in the top-right corner.
To install this app on Android
  1. Tap the 3-dot menu (⋮) in the top-right corner of the browser.
  2. Tap Add to Home screen or Install app.
  3. Confirm by tapping Install.
Supporting Our Service Members
We proudly stand with all United States service members in Operation Epic Fury and those deployed around the world. Your sacrifice, courage, and dedication are deeply respected and never forgotten.

Mini Jet lathe motor

Featured Replies

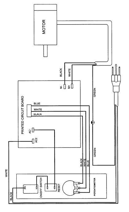
I'm interested in lowering the speed on my mini lathe for applying friction finish evenly with no drip or flying finish. I think this will allow max finish saturation at low rpm and ease application. Then as my friction finish drys, I can speed it up. The minimum speed is 500 rpm at the lowest the speed rheostat and belt configuration.  

The label on my Jet mini motor shows  half horse  60 Hertz and below shows 162 vdc 3 amp. A contradiction of info. Is it a dc motor that gets is source from the speed controller?

0A7E8F8F-7282-4F54-BB63-DB2467B36A93.jpeg

Edited by Ron Altier

You're right Ron, the label is a contradiction. If it's a DC motor it should not have a 60 Hz. rating.

  • Author

Thank Larry. I figured that is what it was. Do you have any ideas on lowering my speed?

 

Very strange they would list a DC motor as single phase 60 Hz. 

 I think maybe the single phase 60hz is in reference to the potentiometer. The AC to DC conversion is happening somewhere within the circuit board.

Without a complete schematic it is hard to determine if it would be possible to lower the voltages to the motor so speed could be reduced.

There has to be some sort of diode rectification to convert the AC to DC.

May or may not be possible to change the value of the potentiometer to lower the output voltage.

I have seen people try this before and the AAW Forum has many such Discussions. I think the bottom line is if input voltage is too low it will burn up the windings or something like that. These motors are not designed to be lowered that much due probably to the cost of those windings. So I guess you could say your dog is chasing a blind squirrel.

Is it possible, given what Gerald has just posted, that you can put step pulleys on the shaft and change speeds that way?  

  • Author
  • Popular Post

 

I did locate the model number 1014VS and tomorrow I'll search for the manual

 

 

It is already variable speed. Not much more you can do other than change pulleys.

 

  • Popular Post

 

  • Author
  • Popular Post

 Yep I knew it was at its lowest RPM, but thought there may be a trick or work around that someone may know. I did have a gig set up using my variable speed drill like the lathe gadget pictured above. It worked, but I was hoping some would say "Its easy, just do this, add this resistor, etc and you'll have what you want."  

  • Popular Post

Amazing the answers a problem can produce. That drill gadget is amazing, but I do have a old rotisserie motor.

  • Popular Post
20 minutes ago, Gerald said:

That drill gadget is amazing,

 

I made one for my Jet 10x12, works great.

16 hours ago, Gerald said:

I have seen people try this before and the AAW Forum has many such Discussions. I think the bottom line is if input voltage is too low it will burn up the windings or something like that. These motors are not designed to be lowered that much due probably to the cost of those windings. So I guess you could say your dog is chasing a blind squirrel.

Ohms law. You lower the voltage, you increase the amperage. It’s linear. Amperage is what burns up the wire.

Join the conversation

You can post now and register later. If you have an account, sign in now to post with your account.
Note: Your post will require moderator approval before it will be visible.

Guest
Reply to this topic...

Recently Browsing 0

  • No registered users viewing this page.

Account

Navigation

Search

Search

Configure browser push notifications

Chrome (Android)
  1. Tap the lock icon next to the address bar.
  2. Tap Permissions → Notifications.
  3. Adjust your preference.
Chrome (Desktop)
  1. Click the padlock icon in the address bar.
  2. Select Site settings.
  3. Find Notifications and adjust your preference.